Cracks seen along the circumference of a drilling tool after WFMPI
Crane rail macro showing lack of fusion
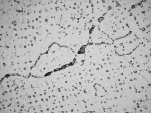
Creep pores from P22 steam pipe after 25 yrs of service at 540 deg C in
Failed fuel oil drain line pipe
Fracture surface of the drain pipe showing classic features of fatigue failure
Hydrogen cracks in weld of P11 steel
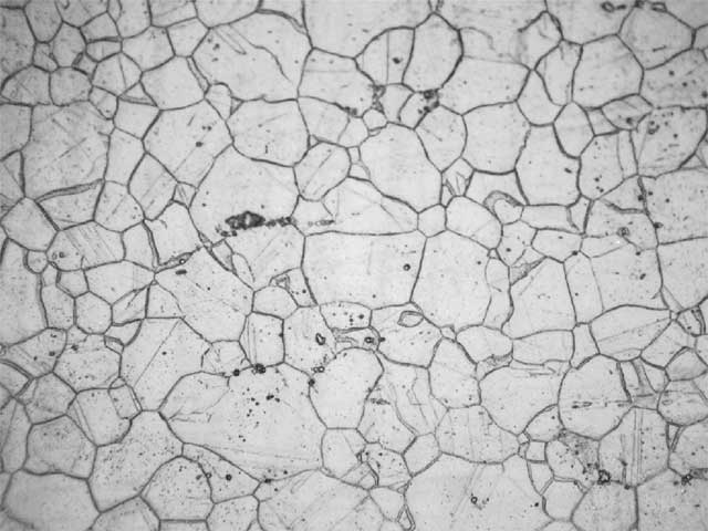
Microstructure (replication)
Microstructure of carbon steel (replication)
Microstructure of carbon steel weld metal(replication)
Microstructure of duplex stainless steel (replication)
Microstructure of inconel 625(replication)
Microstructure of low alloy steel (replication)
Perforation of austenitic stainless steel pipe
Replicated microstructure of Inconel material -1
Replicated microstructure of Inconel material
Replicated microstructure of low alloy steel
Replicated microstructure of reformer tube showing grain boundary oxidation
Stress corrosion cracking in SS304 steel
Tunneling morphology of the pit in a failed stainless steel pipe
SEM image of pitted surface
Crevice corrosion due to chloride attack of stainless steel coupling under the rubber ‘O’ ring
Sigma phase embrittlement