"Aarvik Metallurgical and Corrosion Services Private Limited" is committed to responsibly develop, maintain, and operate an OHS&E Management System and related processes to ensure a high standard of Occupational Health, Safety, and Environmental conditions for all involved in and/or may be affected by the company operations.
Read More
- Murphy`s Law
Material review based on process data, corrosion rates and environment using softwares. Project document review against industry standards.
Hands-on Practical Training of technicians in various metallographic methods (in house as well as on-site) such as cutting, grinding..
Consultancy for laboratory corrosion testing as per NACE and ASTM standards. Identification of corrosion mechanisms and review of failure..
Establishment of WPS/PQR documents for various types of welding. Consultancy for exotic material welding. Welder certification..
Consultancy in failure investigation of oil field, industrial and marine components to identify the root cause. Identification of failure..
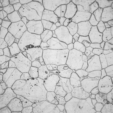
In-situ replica metallography Evaluation of microstructures of materials used in oil field, marine and industrial components for..
Field Heat Treatment audit. Regional /Overseas third party representation of quantity and quality Inspection. Supply of inspectors..
Review of QA&C documents for projects and review of mill test certificates. Specification /Procedure preparation for fabrication..
Provision of Mobile Optical Emission Spectrometer SPECTROTEST (TXC03), Germany to analyse most alloys including carbon, sulphur..